Hotline/Zalo: 0949871333
Email: spevietnam.jsc@gmail.com
Máy Biến Áp THIBIDI 1 Pha 37.5kVA là thiết bị điện cao cấp, góp phần quan trọng vào sự hoạt động của mạng lưới điện. Sản phẩm được phân phối bởi SPE JSC!
Hotline đặt hàng:
1. Thông số kỹ thuật
Công suất : 37.5kVA
Điện áp : 12,7 +- 2x2,5% / 2x0,23kV
Dòng điện : 3/ 163 - 82 A
Tần số : 50Hz
Dòng điện không tải Io% < 1
Điện áp ngắn mạch Uk% = 2÷2,4
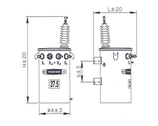
Kích thước máy : L = 710mm; H = 1.110mm; A = 470mm; , h = 300mm
Khối lượng dầu : 60kg
Khối lượng ruột máy : 200kg
Khối lượng tổng : 300kg
Đáp ứng tiêu chuẩn : TCVN 6306: 2006; IEC 60076
2. Cấu tạo, nguyên lý làm việc và lưu ý khi lắp đặt máy biến áp Thibidi 1 pha 37.5kVA
2.1. Cấu tạo
- Dòng thiết bị này thường có hai bộ phận chính là lõi thép và dây quấn. Phần vỏ bọc bên ngoài cứng cáp, khả năng chịu lực tốt. Nó còn được phun sơn tĩnh điện để chống ăn mòn!

Kết cấu chắc chắn.
- Lõi thép dùng để dẫn từ cho máy biến áp. Bộ phận này được làm bằng các lá thép kĩ thuật điện ghép lại, tạo thành một khối.
- Máy biến áp một pha thường bao gồm hai cuộn dây quấn. Dây quấn sơ cấp được nối với nguồn điện, có điện áp là U. Trong khi đó, dây quấn thứ cấp lấy điện ra, có điện áp là U, số vòng dây là N. Dây quấn làm bằng dây điện từ. Chúng được quấn quanh lõi thép.
2.2. Nguyên lý làm việc
- Chúng ta cần ghi nhớ 2 nguyên lý điện từ cơ bản của thiết bị. Đó chính là :
+ Khi dòng điện chạy qua dây dẫn thì dòng điện ấy sinh ra từ trường.
+ Sự biến thiên dòng điện trong cuộn dây tạo ra hiện tượng cảm ứng điện từ.
- Không những thế, máy biến áp Thibidi 1 pha 37.5kVA được làm mát theo cơ chế ONAN (Kiểu ONAN - 37.5). Cụ thể hơn là thiết bị được làm nguội nhờ không khí và dầu tuần hoàn tự nhiên.
2.3. Lưu ý khi lắp đặt
Thiết bị này được ứng dụng ở cả trong nhà lẫn ngoài trời. Đối với vấn đề lắp đặt, các bạn cần đảm bảo các nguyên tắc sau đây :
+ Trước khi tiến hành lắp đặt máy cần phải chú ý ghi chỉ số công suất và các thông tin ký hiệu trong máy biến áp.

Bản vẽ thiết bị.
+ Nắm bắt và hiểu rõ các ký hiệu được ghi trên máy biến áp, tránh tình trạng điều chỉnh sai ký hiệu gây ra sự cố đáng tiếc.
+ Phải đặt máy biến áp ở những vị trí thoáng mát, tránh ẩm ướt, có thể gần các cửa thoát hiểm.
3. Tại sao lựa chọn máy biến áp do SPE cung cấp
- Trước hết, chúng tôi cung cấp hệ thống sản phẩm phong phú, đa dạng, đáp ứng yêu cầu khác nhau của mỗi công trình. Cụ thể là công suất, hình thức làm mát, hiệu điện thế…
- Các máy biến áp dầu, khô đều thuộc những thương hiệu lớn, có uy tín lâu năm. Chúng tôi cung cấp đầy đủ giấy chứng nhận CO, CQ.
- Sản phẩm tại spe.com.vn có báo giá hấp dẫn, nhiều ưu đãi. Đơn hàng lớn sẽ có mức chiết khấu cao!
4. Thông tin liên hệ SPE tại các chi nhánh trên toàn quốc
Hãy đến với chúng tôi ngay hôm nay!
Hệ thống chi nhánh - Nhà phân phối của SPE JSC
Công ty Cổ phần Thiết bị điện SPE Việt Nam
MST: 0109634533
Trụ sở: J03-L08, Khu A - Khu đô thị mới Dương Nội, Phường Dương Nội, Quận Hà Đông, TP Hà Nội
***
Nhà máy: Số 5, Đường TS13, KCN Tiên Sơn, Huyện Từ Sơn, Tỉnh Bắc Ninh
Xưởng lắp ráp + Kho hàng: Xã Liên Ninh - Huyện Thanh Trì - TP Hà Nội
Website: www.spe.com.vn
Email: spevietnam.jsc@gmail.com
***
Hệ thống văn phòng giao dịch:
* Văn phòng GD Hà Nội: Số J03-08 An Phú Shop Villa, KĐT Dương Nội, Phường Dương Nội, Quận Hà Đông, TP Hà Nội
Hotline: 0901471666 - Email: Spevietnam.jsc@gmail.com
* Văn phòng GD Hồ Chí Minh: Số 20D - Đường Trần Hưng Đạo, Phường 7, Quận 5, TP Hồ Chí Minh
Hotline: 0949871333 - Email: Spevietnam.jsc@gmail.com
* Văn phòng GD Đà Nẵng: Số 91, Phước Lý 14, Phường Hòa Minh, Quận Liên Chiểu, TP Đà Nẵng
Hotline: 0971043999 - Email: Spevietnam.jsc@gmail.com
Để thông tin chung cho tất cả các sản phẩm để khách hàng tìm đến cơ sở để mua hàng