Hotline/Zalo: 0949871333
Email: spevietnam.jsc@gmail.com
Máy Biến Áp THIBIDI Amorphous 3 pha 630kVA là thiết bị quan trọng đảm bảo sự hoạt động cho mạng điện. Hãy đến với SPE để sở hữu được sản phẩm tốt, nhiều ưu đãi!
Hotline đặt hàng:
1. Thông số kỹ thuật
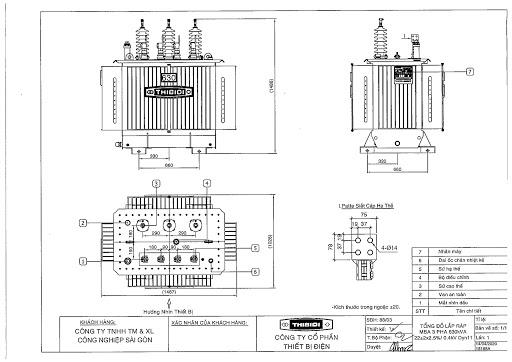
Công suất : 630kVA
Điện áp : 22±2x2.5%/0.4 kV
Tổ đấu dây : Dyn11
Tổn hao không tải Po : 270W
Điện áp ngắn mạch Uk% : 4 ÷ 6
Dòng điện không tải Io = 1.5
Dài x Rộng x Cao : 1620 x 1050 x 1480 mm
Trọng lượng :
+ Dầu : 550kg
+ Ruột : 1670kg
+ Tổng : 2710kg
2. Đặc điểm và lưu ý lắp đặt máy biến áp Thibidi Amorphous 3 pha 630kVA
2.1. Đặc điểm
- Vỏ máy biến áp được phun sơn tĩnh điện để ngăn chặn hiện tượng oxy hóa. Bộ phận này có độ bền cơ học cao.
- Dòng máy biến áp Amorphous có hiệu quả tiết kiệm điện ấn tượng. Khi so sánh với loại tole silic, các nhà khoa học thu được kết quả như sau : tổn hao lõi từ (do dòng Foucalt) giảm khoảng 70-80%. Hiệu quả này bắt nguồn từ việc sử dụng Amorphous làm chất liệu lõi thép.

Bản vẽ kỹ thuật máy biến áp.
- Các cuộn hạ áp và cao áp được trang bị đồng nguyên chất làm lõi dẫn.
- Sản phẩm thuộc danh sách máy biến áp ngâm dầu. Nó được làm mát tuần hoàn tự nhiên bằng dầu và không khí. Thuật ngữ gọi là cơ chế ONAN.
- Máy biến áp Thibidi Amorphous 3 pha 630kVA chịu ngắn mạch tốt. Cuộn dây có thể chịu được quá điện áp do đường dây hoặc sét gây ra. Những ưu điểm này góp phần nâng cao tuổi thọ sản phẩm. Thiết bị có thể hoạt động bền bỉ trong suốt 25-30 năm.
2.2. Lưu ý khi lắp đặt
Thiết bị được dùng cho cả môi trường trong nhà và ngoài trời.
- Nơi đặt thiết bị yêu cầu phải có cửa đưa khí lạnh vào và cửa thoát khí nóng ra.
- Cửa thoát khí nóng càng rộng càng tốt. Khoảng cách giữa máy biến áp và tường, giữa các máy biến áp với nhau ít nhất là 0.5 m.
- Thiết bị được bố trí thuận tiện cho việc kiểm tra và bảo dưỡng.

Lắp đặt khoa học giúp thiết bị vận hành an toàn.
- Thiết bị phải được đặt ở trên nền cao hoặc trên trụ.
- Đảm bảo độ thăng bằng và độ an toàn cho máy biến áp, không được đặt nghiêng quá 15˚.
- Khu vực xung quanh máy biến áp phải có rào che chắn an toàn, phạm vi cách ly tối thiểu 2m.
3. Tại sao lựa chọn máy biến áp do SPE cung cấp
- Chúng tôi mang đến nhiều sự lựa chọn cho quý khách hàng. Về chủng loại, các bạn có thể thỏa sức lựa chọn máy ngâm dầu hoặc khô, lõi tole silic hay Amorphous, 1 pha/3 pha. Thêm vào đó là thiết bị chạy bằng điện năng lượng mặt trời. Về thương hiệu, các bạn có thể lựa chọn máy biến áp của nhiều hãng khác nhau như Thibidi, HEM, Sanaky hay MBT... Tất cả đều là những tên tuổi uy tín trên thị trường.
- Chúng tôi cung cấp đầy đủ giấy chứng nhận xuất xứ và chất lượng sản phẩm.
- Sản phẩm có giá thành hữu nghị, đơn hàng lớn được áp dụng chiết khấu cao. Chính sách đổi mới và bảo hành đều minh bạch, bảo vệ quyền lợi khách hàng!
- Nhân viên tư vấn của spe.com.vn có thái độ làm việc chuyên nghiệp, văn minh.
4. Thông tin liên hệ SPE tại các chi nhánh trên toàn quốc
Hãy đến với chúng tôi ngay hôm nay!
Hệ thống chi nhánh - Nhà phân phối của SPE JSC
Công ty Cổ phần Thiết bị điện SPE Việt Nam
MST: 0109634533
Trụ sở: J03-L08, Khu A - Khu đô thị mới Dương Nội, Phường Dương Nội, Quận Hà Đông, TP Hà Nội
***
Nhà máy: Số 5, Đường TS13, KCN Tiên Sơn, Huyện Từ Sơn, Tỉnh Bắc Ninh
Xưởng lắp ráp + Kho hàng: Xã Liên Ninh - Huyện Thanh Trì - TP Hà Nội
Website: www.spe.com.vn
Email: spevietnam.jsc@gmail.com
***
Hệ thống văn phòng giao dịch:
* Văn phòng GD Hà Nội: Số J03-08 An Phú Shop Villa, KĐT Dương Nội, Phường Dương Nội, Quận Hà Đông, TP Hà Nội
Hotline: 0901471666 - Email: Spevietnam.jsc@gmail.com
* Văn phòng GD Hồ Chí Minh: Số 20D - Đường Trần Hưng Đạo, Phường 7, Quận 5, TP Hồ Chí Minh
Hotline: 0949871333 - Email: Spevietnam.jsc@gmail.com
* Văn phòng GD Đà Nẵng: Số 91, Phước Lý 14, Phường Hòa Minh, Quận Liên Chiểu, TP Đà Nẵng
Hotline: 0971043999 - Email: Spevietnam.jsc@gmail.com
Để thông tin chung cho tất cả các sản phẩm để khách hàng tìm đến cơ sở để mua hàng